AutomatiCS
Программный продукт, предназначенный для автоматизации проектирования, реконструкции и эксплуатации систем контроля и управления (СКУ, КИПиА, АСУТП), учета энергии, цепей вторичной коммутации.
САПР
Приложения
Решения для машиностроения
nanoCAD GeoniCS
BIM-решения
Специальные решения
Задачи
О платформе за 1 минуту...
Все возможности продукта: AutomatiCS
Реестры и справочники
Особенности сетевой версии AutomatiCS
Наша команда поможет внедрить ПО, настроить под ваши задачи и поддержит на каждом этапе. Работаем так, чтобы вы быстрее получали результат, а не разбирались с инструментом.
Стоимость ПО
| Лицензии | Годовая локальная | Годовая сетевая | Постоянная локальная | Постоянная сетевая |
|---|---|---|---|---|
|
nanoCAD Pro Конфигурация Платформы nanoCAD, включает все модули, кроме модуля «Организация» в локальных лицензиях |
97 500 ₽ | 117 000 ₽ | 336 400 ₽ | 403 700 ₽ |
|
nanoCAD Standart Build Конфигурация Платформы nanoCAD, включает модули: «СПДС», «3D», «Растр» |
69 900 ₽ | 83 900 ₽ | 241 200 ₽ | 289 500 ₽ |
|
nanoCAD Standart Geo Конфигурация Платформы nanoCAD, включает модули: «Топоплан», «3D», «Растр» |
69 900 ₽ | 83 900 ₽ | 241 200 ₽ | 289 500 ₽ |
|
nanoCAD Standart Mech Конфигурация Платформы nanoCAD, включает модули: «Механика», «3D», «Растр» |
69 900 ₽ | 83 900 ₽ | 241 200 ₽ | 289 500 ₽ |
|
Платформа nanoCAD Основной модуль |
25 400 ₽ | - | - | - |
| Лицензии | Годовая локальная | Годовая сетевая | Постоянная локальная | Постоянная сетевая |
|---|---|---|---|---|
|
nanoCAD Pro Конфигурация Платформы nanoCAD, включает все модули, кроме модуля «Организация» в локальных лицензиях |
117 100 ₽ | 140 500 ₽ | 404 000 ₽ | 484 700 ₽ |
|
nanoCAD Standart Build Конфигурация Платформы nanoCAD, включает модули: «СПДС», «3D», «Растр» |
83 900 ₽ | 100 700 ₽ | 289 500 ₽ | 347 400 ₽ |
|
nanoCAD Standart Geo Конфигурация Платформы nanoCAD, включает модули: «Топоплан», «3D», «Растр» |
83 900 ₽ | 100 700 ₽ | 289 500 ₽ | 347 400 ₽ |
|
nanoCAD Standart Mech Конфигурация Платформы nanoCAD, включает модули: «Механика», «3D», «Растр» |
83 900 ₽ | 100 700 ₽ | 289 500 ₽ | 347 400 ₽ |
|
Платформа nanoCAD Основной модуль |
30 500 ₽ | 45 800 ₽ | - | - |
| Лицензии | Годовая локальная | Годовая сетевая | Постоянная локальная | Постоянная сетевая |
|---|---|---|---|---|
| nanoCAD GeoniCS | - | - | - | - |
| Модуль «Топоплан» *обязательно для приобретения | 32 700 ₽ | 45 800 ₽ | 112 800 ₽ | 158 000 ₽ |
| Модуль «Генплан» | 15 800 ₽ | 15 800 ₽ | 54 500 ₽ | 54 500 ₽ |
| Модуль «Сети» | 22 500 ₽ | 22 500 ₽ | 77 600 ₽ | 77 600 ₽ |
| Модуль «Трассы» | 27 000 ₽ | 27 000 ₽ | 93 200 ₽ | 93 200 ₽ |
| Модуль «Сечения» *для работы требуется модуль «Трассы» | 15 800 ₽ | 15 800 ₽ | 54 500 ₽ | 54 500 ₽ |
| Модуль «Геомодель» | 13 600 ₽ | 13 600 ₽ | 46 900 ₽ | 46 900 ₽ |
| nanoCAD GeoSeries *для работы требуется конфигурация Платформы nanoCAD Standart Geo или nanoCAD Pro актуальной версии | - | - | - | - |
| Конфигурация «Трассы и Профили» | 125 000 ₽ | 175 000 ₽ | - | - |
| Конфигурация «База геологических скважин» | 100 000 ₽ | 140 000 ₽ | - | - |
| Конфигурация «Геология» *для работы требуется конфигурация «База геологических скважин» | 110 000 ₽ | 154 000 ₽ | - | - |
| Конфигурация «Гидрология» | 54 000 ₽ | 75 600 ₽ | - | - |
| Конфигурация «Трубопроводы» | 260 000 ₽ | 364 000 ₽ | - | - |
| nanoCAD Землеустройство *для работы требуется конфигурация Платформы nanoCAD Standart Geo или nanoCAD Pro актуальной версии | - | - | - | - |
| Модуль «Топография» | 13 600 ₽ | 19 000 ₽ | - | - |
| Модуль «Трассы» *в разработке | - | - | - | - |
| nanoCAD Конструкции PS | - | - | - | - |
| Модуль «КЖ», включая базовую часть «Оформление» | 41 200 ₽ | 41 200 ₽ | 141 900 ₽ | 141 900 ₽ |
| Модуль «Фундаменты», включая базовую часть «Оформление» | 41 200 ₽ | 41 200 ₽ | 141 900 ₽ | 141 900 ₽ |
| Модуль «КЖ», модуль «Фундаменты», включая базовую часть «Оформление» | 82 300 ₽ | 82 300 ₽ | 283 700 ₽ | 283 700 ₽ |
| nanoCAD Металлоконструкции *для работы требуется конфигурация Платформы nanoCAD Standart Build или nanoCAD Pro | 55 900 ₽ | 78 400 ₽ | 192 900 ₽ | 270 500 ₽ |
| nanoCAD Стройплощадка *для работы требуется конфигурация Платформы nanoCAD Standart Build или nanoCAD Pro | 55 900 ₽ | 78 400 ₽ | 192 900 ₽ | 270 500 ₽ |
| Лицензии | Годовая локальная | Годовая сетевая | Постоянная локальная | Постоянная сетевая |
|---|---|---|---|---|
| nanoCAD GeoniCS | - | - | - | - |
| Модуль «Топоплан» *обязательно для приобретения | 36 000 ₽ | 50 400 ₽ | 124 200 ₽ | 173 900 ₽ |
| Модуль «Генплан» | 17 400 ₽ | 17 400 ₽ | 60 000 ₽ | 60 000 ₽ |
| Модуль «Сети» | 24 800 ₽ | 24 800 ₽ | 85 600 ₽ | 85 600 ₽ |
| Модуль «Трассы» | 29 700 ₽ | 29 700 ₽ | 102 500 ₽ | 102 500 ₽ |
| Модуль «Сечения» *для работы требуется модуль «Трассы» | 17 400 ₽ | 17 400 ₽ | 60 000 ₽ | 60 000 ₽ |
| Модуль «Геомодель» | 15 000 ₽ | 15 000 ₽ | 51 800 ₽ | 51 800 ₽ |
| nanoCAD GeoSeries *для работы требуется конфигурация Платформы nanoCAD Standart Geo или nanoCAD Pro актуальной версии | - | - | - | - |
| Конфигурация «Трассы и Профили» | - | - | - | - |
| Конфигурация «База геологических скважин» | - | - | - | - |
| Конфигурация «Геология» *для работы требуется конфигурация «База геологических скважин» | - | - | - | - |
| Конфигурация «Гидрология» | - | - | - | - |
| Конфигурация «Трубопроводы» | - | - | - | - |
| nanoCAD Землеустройство *для работы требуется конфигурация Платформы nanoCAD Standart Geo или nanoCAD Pro актуальной версии | - | - | - | - |
| Модуль «Топография» | 15 000 ₽ | 20 900 ₽ | - | - |
| Модуль «Трассы» *в разработке | - | - | - | - |
| nanoCAD Конструкции PS | - | - | - | - |
| Модуль «КЖ», включая базовую часть «Оформление» | - | - | - | - |
| Модуль «Фундаменты», включая базовую часть «Оформление» | - | - | - | - |
| Модуль «КЖ», модуль «Фундаменты», включая базовую часть «Оформление» | - | - | - | - |
| nanoCAD Металлоконструкции *для работы требуется конфигурация Платформы nanoCAD Standart Build или nanoCAD Pro | 61 500 ₽ | 86 200 ₽ | 212 200 ₽ | 297 400 ₽ |
| nanoCAD Стройплощадка *для работы требуется конфигурация Платформы nanoCAD Standart Build или nanoCAD Pro | 61 500 ₽ | 86 200 ₽ | 212 200 ₽ | 297 400 ₽ |
| Лицензии | Годовая локальная | Годовая сетевая | Постоянная локальная | Постоянная сетевая |
|---|---|---|---|---|
| nanoCAD Механика PRO | 75 300 ₽ | 97 900 ₽ | 259 800 ₽ | 337 800 ₽ |
| Лицензии | Годовая локальная | Годовая сетевая | Постоянная локальная | Постоянная сетевая |
|---|---|---|---|---|
| nanoCAD Механика PRO | 90 400 ₽ | 117 500 ₽ | 311 900 ₽ | 405 400 ₽ |
| Лицензии | Годовая локальная | Годовая сетевая | Постоянная локальная | Постоянная сетевая |
|---|---|---|---|---|
| nanoCAD BIM Строительство *для работы требуется любая конфигурация Платформы nanoCAD | 67 700 ₽ | 93 900 ₽ | 231 200 ₽ | 324 000 ₽ |
| Конфигурация Архитектура | 58 200 ₽ | 81 600 ₽ | 200 800 ₽ | 281 500 ₽ |
| Конфигурация Конструкции | 58 200 ₽ | 81 600 ₽ | 200 800 ₽ | 281 500 ₽ |
| nanoCAD BIM ВК | 41 100 ₽ | 57 600 ₽ | 141 800 ₽ | 198 700 ₽ |
| nanoCAD BIM Вентиляция *для работы требуется любая конфигурация Платформы nanoCAD | 71 500 ₽ | 100 100 ₽ | 246 700 ₽ | 345 300 ₽ |
| nanoCAD BIM Отопление | 41 100 ₽ | 57 600 ₽ | 141 800 ₽ | 198 700 ₽ |
| nanoCAD BIM Электро | 71 500 ₽ | 100 100 ₽ | 246 700 ₽ | 345 300 ₽ |
| nanoCAD BIM СКС | 62 900 ₽ | 88 300 ₽ | 217 000 ₽ | 304 600 ₽ |
| nanoCAD BIM ОПС | 62 900 ₽ | 88 300 ₽ | 217 000 ₽ | 304 600 ₽ |
| Лицензии | Годовая локальная | Годовая сетевая | Постоянная локальная | Постоянная сетевая |
|---|---|---|---|---|
| nanoCAD BIM Строительство *для работы требуется любая конфигурация Платформы nanoCAD | 67 700 ₽ | 93 900 ₽ | 231 200 ₽ | 324 000 ₽ |
| Конфигурация Архитектура | - | - | - | - |
| Конфигурация Конструкции | - | - | - | - |
| nanoCAD BIM ВК | 45 200 ₽ | 63 400 ₽ | 155 900 ₽ | 218 700 ₽ |
| nanoCAD BIM Вентиляция *для работы требуется любая конфигурация Платформы nanoCAD | 78 700 ₽ | 110 110 ₽ | 271 500 ₽ | 379 800 ₽ |
| nanoCAD BIM Отопление | 45 200 ₽ | 63 400 ₽ | 155 900 ₽ | 218 700 ₽ |
| nanoCAD BIM Электро | 78 700 ₽ | 110 110 ₽ | 271 500 ₽ | 379 800 ₽ |
| nanoCAD BIM СКС | 69 200 ₽ | 97 100 ₽ | 238 700 ₽ | 335 000 ₽ |
| nanoCAD BIM ОПС | 69 200 ₽ | 97 100 ₽ | 238 700 ₽ | 335 000 ₽ |
| Лицензии | Годовая локальная | Годовая сетевая | Постоянная локальная | Постоянная сетевая |
|---|---|---|---|---|
| TDMS Фарватер Web | - | 25 920 ₽ | - | - |
| TDMS Фарватер | - | 21 600 ₽ | - | 74 500 ₽ |
| nano360 *Скоро в продаже | - | 12 000 ₽ | - | - |
| MS Навигатор | 120 000 ₽ | 120 000 ₽ | 200 000 ₽ | 200 000 ₽ |
| Лицензии | Годовая локальная | Годовая сетевая | Постоянная локальная | Постоянная сетевая |
|---|---|---|---|---|
| TDMS Фарватер Web | - | - | - | - |
| TDMS Фарватер | - | - | - | - |
| nano360 *Скоро в продаже | - | - | - | - |
| MS Навигатор | - | - | - | - |
| Лицензии | Годовая локальная | Годовая сетевая | Постоянная локальная | Постоянная сетевая |
|---|---|---|---|---|
| nanoCAD Облака точек *для работы требуется любая конфигурация Платформы nanoCAD | - | - | - | - |
| Конфигурация «ReClouds» | 225 600 ₽ | 315 800 ₽ | 778 300 ₽ | 1 089 500 ₽ |
| Конфигурация «Геотехнический мониторинг» | 225 600 ₽ | 315 800 ₽ | - | - |
| Конфигурация «Метрология» | 1 000 000 ₽ | 1 400 000 ₽ | - | - |
| NSR Specification | - | - | - | - |
| NSR Модуль требований *Цена указана за онлайн-доступ, 1 рабочее место пользователя | - | 7 300 ₽ | - | - |
| NSR Модуль разработки документов *Цена указана за минимальную поставку на 10 рабочих мест | - | 234 000 ₽ | - | - |
| NSR Модуль семантической разметки документов *Цена указана за локальную установку, 1 рабочее место Веб-сервер оплачивается отдельно | - | 150 000 ₽ | - | - |
| NSR Модуль семантического анализа *Цена указана за локальную установку, 1 рабочее место Веб-сервер оплачивается отдельно | - | 310 000 ₽ | - | - |
| NSR Модуль семантического поиска *Цена указана за локальную установку, 1 рабочее место Веб-сервер оплачивается отдельно | - | 25 900 ₽ | - | - |
| nanoLM | - | - | - | - |
| Лицензии | Годовая локальная | Годовая сетевая | Постоянная локальная | Постоянная сетевая |
|---|---|---|---|---|
| nanoCAD Облака точек *для работы требуется любая конфигурация Платформы nanoCAD | - | - | - | - |
| Конфигурация «ReClouds» | - | - | - | - |
| Конфигурация «Геотехнический мониторинг» | - | - | - | - |
| Конфигурация «Метрология» | - | - | - | - |
| NSR Specification | - | - | - | - |
| NSR Модуль требований *Цена указана за онлайн-доступ, 1 рабочее место пользователя | - | - | - | - |
| NSR Модуль разработки документов *Цена указана за минимальную поставку на 10 рабочих мест | - | - | - | - |
| NSR Модуль семантической разметки документов *Цена указана за локальную установку, 1 рабочее место Веб-сервер оплачивается отдельно | - | - | - | - |
| NSR Модуль семантического анализа *Цена указана за локальную установку, 1 рабочее место Веб-сервер оплачивается отдельно | - | - | - | - |
| NSR Модуль семантического поиска *Цена указана за локальную установку, 1 рабочее место Веб-сервер оплачивается отдельно | - | - | - | - |
| nanoLM | - | - | - | - |
| Лицензии | Годовая локальная | Годовая сетевая | Постоянная локальная | Постоянная сетевая |
|---|---|---|---|---|
| nanoCAD Инженерный BIM (Включает конфигурацию Платформы nanoCAD Pro, nanoCAD BIM ВК, nanoCAD BIM Отопление, nanoCAD BIM Электро, nanoCAD BIM СКС, nanoCAD BIM ОПС, nanoCAD BIM Вентиляция) | 138 100 ₽ | 193 300 ₽ | 476 400 ₽ | 666 900 ₽ |
| nanoCAD Корпоративная лицензия (Включает конфигурацию Платформы nanoCAD Pro, nanoCAD GeoniCS, nanoCAD Стройплощадка, nanoCAD Металлоконструкции, nanoCAD Конструкции PS, nanoCAD BIM Строительство, nanoCAD BIM ВК, nanoCAD BIM Отопление, nanoCAD BIM Электро, nanoCAD BIM СКС, nanoCAD BIM ОПС, nanoCAD BIM Вентиляция) | - | 260 100 ₽ | - | 897 300 ₽ |
| nanoCAD Корпоративная лицензия (Включает конфигурацию Платформы nanoCAD Pro, nanoCAD GeoniCS, nanoCAD Стройплощадка, nanoCAD Металлоконструкции, nanoCAD Конструкции PS, nanoCAD BIM Строительство, nanoCAD BIM ВК, nanoCAD BIM Отопление, nanoCAD BIM Электро, nanoCAD BIM СКС, nanoCAD BIM ОПС, nanoCAD BIM Вентиляция) | - | 299 100 ₽ | - | 1 031 900 ₽ |
| Лицензии | Годовая локальная | Годовая сетевая | Постоянная локальная | Постоянная сетевая |
|---|---|---|---|---|
| nanoCAD Инженерный BIM (Включает конфигурацию Платформы nanoCAD Pro, nanoCAD BIM ВК, nanoCAD BIM Отопление, nanoCAD BIM Электро, nanoCAD BIM СКС, nanoCAD BIM ОПС, nanoCAD BIM Вентиляция) | 158 100 ₽ | 221 300 ₽ | 545 400 ₽ | 763 500 ₽ |
| nanoCAD Корпоративная лицензия (Включает конфигурацию Платформы nanoCAD Pro, nanoCAD GeoniCS, nanoCAD Стройплощадка, nanoCAD Металлоконструкции, nanoCAD Конструкции PS, nanoCAD BIM Строительство, nanoCAD BIM ВК, nanoCAD BIM Отопление, nanoCAD BIM Электро, nanoCAD BIM СКС, nanoCAD BIM ОПС, nanoCAD BIM Вентиляция) | - | - | - | - |
| nanoCAD Корпоративная лицензия (Включает конфигурацию Платформы nanoCAD Pro, nanoCAD GeoniCS, nanoCAD Стройплощадка, nanoCAD Металлоконструкции, nanoCAD Конструкции PS, nanoCAD BIM Строительство, nanoCAD BIM ВК, nanoCAD BIM Отопление, nanoCAD BIM Электро, nanoCAD BIM СКС, nanoCAD BIM ОПС, nanoCAD BIM Вентиляция) | - | 299 100 ₽ | - | 1 031 900 ₽ |
Конфигурация Платформы nanoCAD, включает все модули, кроме модуля «Организация» в локальных лицензиях
Конфигурация Платформы nanoCAD, включает модули: «СПДС», «3D», «Растр»
Конфигурация Платформы nanoCAD, включает модули: «Топоплан», «3D», «Растр»
Конфигурация Платформы nanoCAD, включает модули: «Механика», «3D», «Растр»
Основной модуль
Конфигурация Платформы nanoCAD, включает все модули, кроме модуля «Организация» в локальных лицензиях
Конфигурация Платформы nanoCAD, включает модули: «СПДС», «3D», «Растр»
Конфигурация Платформы nanoCAD, включает модули: «Топоплан», «3D», «Растр»
Конфигурация Платформы nanoCAD, включает модули: «Механика», «3D», «Растр»
Основной модуль
Веб-сервер оплачивается отдельно
Веб-сервер оплачивается отдельно
(Включает конфигурацию Платформы nanoCAD Pro, nanoCAD BIM ВК, nanoCAD BIM Отопление, nanoCAD BIM Электро, nanoCAD BIM СКС, nanoCAD BIM ОПС, nanoCAD BIM Вентиляция)
(Включает конфигурацию Платформы nanoCAD Pro, nanoCAD GeoniCS, nanoCAD Стройплощадка, nanoCAD Металлоконструкции, nanoCAD Конструкции PS, nanoCAD BIM Строительство, nanoCAD BIM ВК, nanoCAD BIM Отопление, nanoCAD BIM Электро, nanoCAD BIM СКС, nanoCAD BIM ОПС, nanoCAD BIM Вентиляция)
(Включает конфигурацию Платформы nanoCAD Pro, nanoCAD GeoniCS, nanoCAD Стройплощадка, nanoCAD Металлоконструкции, nanoCAD Конструкции PS, nanoCAD BIM Строительство, nanoCAD BIM ВК, nanoCAD BIM Отопление, nanoCAD BIM Электро, nanoCAD BIM СКС, nanoCAD BIM ОПС, nanoCAD BIM Вентиляция)
(Включает конфигурацию Платформы nanoCAD Pro, nanoCAD BIM ВК, nanoCAD BIM Отопление, nanoCAD BIM Электро, nanoCAD BIM СКС, nanoCAD BIM ОПС, nanoCAD BIM Вентиляция)
(Включает конфигурацию Платформы nanoCAD Pro, nanoCAD GeoniCS, nanoCAD Стройплощадка, nanoCAD Металлоконструкции, nanoCAD Конструкции PS, nanoCAD BIM Строительство, nanoCAD BIM ВК, nanoCAD BIM Отопление, nanoCAD BIM Электро, nanoCAD BIM СКС, nanoCAD BIM ОПС, nanoCAD BIM Вентиляция)
(Включает конфигурацию Платформы nanoCAD Pro, nanoCAD GeoniCS, nanoCAD Стройплощадка, nanoCAD Металлоконструкции, nanoCAD Конструкции PS, nanoCAD BIM Строительство, nanoCAD BIM ВК, nanoCAD BIM Отопление, nanoCAD BIM Электро, nanoCAD BIM СКС, nanoCAD BIM ОПС, nanoCAD BIM Вентиляция)
Выберите свою акцию, которая станет максимально выгодной при покупке nanoCAD
Любое вертикальное решение nanoCAD - бесплатно 30 дней!
Обучение при покупке nanoCAD - бесплатно!
Скачать дистрибутив nanoCAD и пользоваться - бесплатно 30 дней!
Что нового?
Дополнительные возможности работы с макросами за счет доработки COM-модели
Новый набор пользовательских команд, которые позволяют в автоматическом режиме сформировать полную модель проекта и получить на ее основе комплект проектных документов
Больше удобства при редактировании модели проекта благодаря использованию ссылочных параметров
Системные требования
Видеоадаптер
- Минимальные требования: графический процессор с поддержкой 3D-ускорения, объемом видеопамяти 1 Гб
- Рекомендуемые требования: графический процессор с поддержкой 3D-ускорения, объемом видеопамяти 4 Гб (поддерживающий OpenGL 2.1 или DirectX 11)
Дополнительное оборудование
- Мышь или другие устройства указания
Процессор
- Минимальные требования: Intel Pentium IV и выше
Операционная система
- Windows XP;
- Windows Vista x32;
- Windows 7-32.
Для установки программы требуются права Администратора
Место на диске
- 500 Мб и более на системном диске
Дополнительное ПО
- MS Office 2003/2007
- AutoCAD 2007/2008/2009/2010/2011/2012
- SQL Server 2005
Учетная запись
- Для работы у пользователя должны быть права Опытного пользователя
- Пользователь должен иметь полный доступ к каталогам AutomatiCS 2011, ACS Administrator, а также к каталогу для временных файлов Windows\Temp
- Для работы под ОС Windows Vista или Windows 7 у пользователя должен быть отключен контроль учетной записи
Разрешение экрана
- Минимальные требования: 1024х768 px
- Рекомендуемые требования: 1280х1024 px
Оперативная память
- Минимальные требования: 1 Гб
- Рекомендуемые требования: 4 Гб и выше
Обучение nanoCAD
На странице "Обучение nanoCAD" Вы можете ознакомиться с ценами на курсы, а также с программами курсов по линейке продуктов nanoCAD
Вебинары
Мы проводим совершенно бесплатные вебинары для всех пользователей на сайте webinar.blog
Проектирование и оформление чертежа детали в nanoCAD Механика PRO на операционной системе Linux
Подробнее
TDMS Фарватер от классики до web
Подробнее
BIM-Стандарт Нанософт как методика внедрения технологий информационного моделирования
Подробнее
Подпишись на Telegram-канал, где мы публикуем анонсы бесплатных вебинаров
Связаться с нами
г. Санкт-Петербург, ул. Новгородская, д.23,
литера А, помещение 81-Н, офис 210
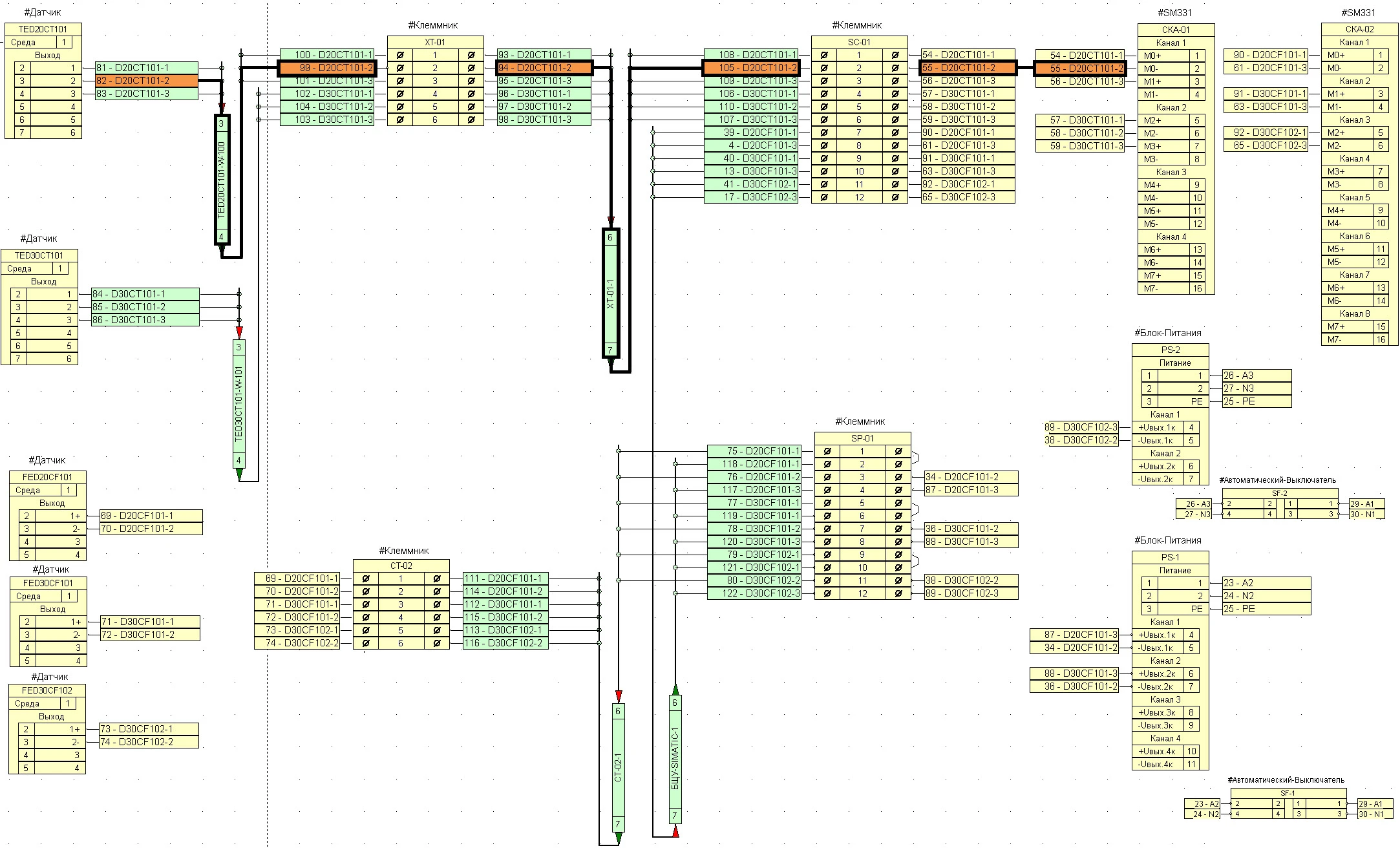
Все новые возможности продукта: AutomatiCS
Дополнительные возможности работы с макросами за счет доработки COM-модели
Новый набор пользовательских команд, которые позволяют в автоматическом режиме сформировать полную модель проекта и получить на ее основе комплект проектных документов
Больше удобства при редактировании модели проекта благодаря использованию ссылочных параметров
Дополнительные возможности при работе с графической формой документа (ГФД)
- автоматическая трассировка при формировании документа;
- при документировании транзитной цепочки — возможность скрывать незадействованные клеммы;
- редактирование модели проекта через графическую форму документа;
- добавление титульного листа.
Расширение функционала графической страницы AutomatiCS
- редактирование клеммников — создание многоуровневых клемм;
- вывод элементов из графической страницы в графическую форму документа;
- при выводе транзитной цепочки элемента — возможность скрывать незадействованные клеммы.
Изменения в организации хранения данных
- хранение базы графических блоков (фреймов) в структуре документов проекта;
- объединение всех версий проекта и структуры документов в единую базу проекта;
- объединение базы данных и знаний (БДЗ) и базы параметров (БП) в единую базу данных.
Отличительные особенности сетевой версии
- сетевой доступ к базам данных;
- многопользовательский режим работы над проектом;
- отдельное приложение для администрирования баз данных и распределения прав пользователей — ACS Administrator;
- встроенный графический редактор блоков.
Все возможности продукта: AutomatiCS
Реестры и справочники
Особенности сетевой версии AutomatiCS
Централизованное хранение проектных данных
База данных и знаний
Импорт данных
Выбор технических средств автоматизации
Выбор конкретной модели технического средства
Формирование требований к техническому средству
Подключение к многоканальным приборам
Интеллектуальные проектные процедуры
Разводка общих точек
Групповые операции над элементами
Формирование клеммников и кабелей
Графическая страница — наглядное представление структуры модели проекта
История изменений проекта
Структура документов проекта
Графическая форма документа
База графических блоков
База шаблонов
Формирование проектных документов
Учебная лицензия